Самостоятельное изготовление
На первом этапе создается чертеж. Причем не просто набросок на бумаге, а четкая схема с конкретными размерами. Учитывайте доступное пространство на кухне, считайте каждый миллиметр.
После этого собираются все материалы и выполняется раскройка деталей под их последующую сборку в единую конструкцию. Распил можно выполнить и дома своими руками, но тут лучше обратиться к специалистам, у которых имеется профессиональное оборудование. Это не сильно скажется на бюджете, и в сравнении с покупным кухонным диваном вы все равно существенно сэкономите.
Далее уже проводится финишная подгонка, обработка защитными составами при необходимости, декорирование и первый тест-драйв.

Как надо и не надо
Первая ошибка при проектировании кухонного уголка – стол к нему на ножках и прямые фасады сидений, поз. 1 на рис. Секрет уюта и самозонирования кухонного уголка в его компактности и удобстве, а тут стол толком не придвинешь, и его ножки путаются в коленках 3-х сидящих. Уголок для кухни нужно делать под стол балочно-щитовой конструкции, поз. 2 и 3, а фасады сидений либо скошенными (поз. 2), либо с приподнятыми днищами ларей под сиденьями, поз. 3.

Столы и ящики для кухонных уголков
Вторая ошибка – не делайте под сиденьями выдвижных ящиков, поз. 4 и 5. Они мешают друг другу, портят пол. Чтобы добраться до содержимого ящиков, нужно далеко отодвигать стол и становиться на колени. Если дом содержат горничная с экономкой, а хозяину до их забот дела нет, то кухонный уголок с выдвижными ящиками дело вкуса. А нам для себя нужно делать уголок в кухню с ларями под откидными или съемными сиденьями.
Обновление и реставрация кухонного уголка
Так как вы с точностью до сантиметра знаете, где и какая деталь у вас закреплена, отреставрировать уголок вы сможете в любой момент. Надоела старая обивка или наполнитель потерял форму?
Нужно разобрать конструкцию и приступить к замене деталей. Если уголок у вас состоит из трех модулей, которые не скреплены друг с другом, проводите замену поочередно. Сначала вам нужно будет снять обивку и вынуть поролон из длинного дивана, затем из короткого, а потом перейти к обшивке соединительного уголка. Как можно украсить свой мягкий уголок?
- С помощью краски или лака. Каркас и боковины вы можете окрасить в любой цвет. Начиная от благородного дерева и заканчивая ярко-желтым или солнечным оранжевым. Поменяли стиль кухни – сможете обновить и уголок.
- С помощью нового материала обивки. К примеру, конструируя уголок, вы подобрали велюр, который со временем потерял свою красоту и пришел в негодность. Заменить его можно на изысканный шенилл или роскошный жаккард. Такие ткани подойдут для кухни в восточном стиле – они имеют замысловатые узоры.
Как правило, такие породы дерева выбираются для основы уголка и боковин, а вот нижняя часть ящика и крепления могут быть выполнены из фанеры или того же ДСП.
В современном мире цены на мебель растут на глазах, обычные кухонные уголки могут стоить очень дорого. Но нужно ли тратиться и покупать их в магазине, если можно сделать Материалы, которые потребуются для сооружения уголка, стоят дёшево, поэтому стоимость изделия упадёт в несколько раз, а внешний вид станет даже интереснее магазинного. Ведь, когда работает фантазия, человек делает чудеса.
Делаем кухонный уголок своими руками
Довольно лёгкая композиция, состоящая из пары мягких диванов и одного стола, не потребует много свободного времени, а готов уголок будет уже через пару дней. Если вы решили делать кухонный уголок своими руками, понадобятся следующие материалы и инструменты:
Дисковая пила и шлифовальная машинка;
Шуруповёрт или отвёртка;
Строительный уровень и мягкая рулетка;
Доски и фанера;
Шпунтованные панельки;
Герметик и клей;
Шурупы и отделочные гвозди.
Собираем кухонный уголок
Начинаем собирать мебель. Кухонный уголок хорошо подходит для семейных посиделок, он вместительный и удобный. Какой именно сделать уголок, можно выбрать самим. Основная часть изделия — диванчик, который только выглядит сложной конструкцией, но на самом деле он состоит из 2-х боковых досок, на которых закрепляются сиденье и спинка. Размеры кухонного стола можно продумать самостоятельно, мы же приведём пример среднестатистического уголка, который так часто встречается в магазинах. Конечно, можно купить кухонный уголок в Москве или любом другом городе, но сделанный своими руками всегда будет радовать вас неповторимым видом.
Стандартные следующие: ширина — 1,20 м, высота со стороны задней спинки — 0, 85 м, расстояние от посадочной планки до низа — 0,45 м. Боковую спинку кухонного уголка необходимо сделать максимально прочной, так как на ней будут удерживаться все остальные составляющие. Боковины выберите из самых красивых деталей, от этого будет зависеть дизайн уголка.
Делаем кухонный уголок своими руками — пошаговое описание
Изготавливаем боковины из деревянных брусков, сажаем на специальные шипы. Если брусков под рукой нет, можно заменить их любыми другими материалами, к примеру, ламинированным ДСП. Берём деревянный брусок, делаем нижнюю опору. Каркас для кухонного уголка делаем из брусков, они скрепляются шипами. Из обрезных досок вырезаем рёбра жёсткости длиной 20 см. Для жёсткости конструкции к внутренней стороне боковины прикрепляем опоры для сиденья, прибиваем к ним доски. Каркас почти готов, шурупами привинчиваем сиденье и спинку. Каркас обрабатываем шлифованной машинкой, щели заливаем герметиком и грунтуем все элементы. После полного высыхания красим всю поверхность лаком.
Обивка
Если кухонный уголок своими руками изготовлен с любовью, то он всегда будет выглядеть неповторимо
А если вы уделите особое внимание и материалу для его обивки, то и вовсе создадите истинный мебельный шедевр. Велюр и флок считаются одними из самых популярных обивок для кухонных уголков, они прочны и легки в уборке. Также можно выбрать искусственную кожу
Делаем элементы из выбранного материала, обклеиваем ими сиденье. Поздравляем — кухонный уголок, своими руками сделанный, готов!
Также можно выбрать искусственную кожу. Делаем элементы из выбранного материала, обклеиваем ими сиденье. Поздравляем — кухонный уголок, своими руками сделанный, готов!
Диваны-скамьи (диваны-лавки)
Если вам не удалось найти нужный комплект дивана-скамьи со стульями, их вполне реально заказать отдельно. Многие фабрики выпускают кухонную мебель разного ассортимента, стилей и материалов.

Диваны-скамьи бывают самых разных размеров (от 500 до 2500 мм), поэтому к ним легко подобрать обеденный стол нужных габаритов и требуемое количество стульев. Эти диваны отличают простота и практичность.
Каркас для кухонных диванов-лавок изготавливают из массива сосны и фанеры. Ящики для хранения имеют не все модели. Ножки могут быть деревянными или металлическими (из анодированной или хромированной стали).
В качестве наполнителя диванных подушек и спинки используют пенополиуретан, войлок, поролон и др. Самый долговечный из них – пенополиуретан высокой плотности, который долго не теряет форму.
Выбор проекта и чертежи
Прежде всего необходимо определиться с конфигурацией. Нужно понять, как будет стоять кухонный уголок, в какую сторону будет развернут. Это зависит от площади помещения, расположения другой мебели.
Перед тем как решить, какой именно кухонный уголок сделать, стоит просмотреть фотографии готовых проектов.
Кухонный уголок из массива дерева
Кухонный уголок, обитый кожзаменителем
Кухонный диванчик из полок
Кухонный угловой диван с подушками
Большой угловой диван
Кухонный диванчик из дерева
Раскладывающийся уголок для кухни
Кухонный уголок, сделанный из досок
Деревянный уголок
Уголок для большой кухни
Проводят замеры кухни, измеряют угол помещения. Ориентируясь на них, определяют глубину и длину каждого дивана, высоту каркаса, расположение секций. Можно использовать готовые чертежи, подкорректировав их.
Это интересно: Мягкий уголок для кухни (85 фото) — дизайн и чертежи кухонной мебели
Расчет помещения
Кухонный уголок – стильный и многофункциональный мебельный элемент. Чтобы правильно подобрать место расположения мебели в помещении, необходимо учитывать такие рекомендации:
Важно продумать дизайн и подобрать размеры, которые впишутся в общую обстановку. Все должно быть выполнено в едином стиле
Можно просмотреть фотографии готовых решений, найти подходящие схемы и чертежи.
Лучше выбирать самые простые конструкции, которые легко изготовить самостоятельно. Чтобы увеличить функциональность мебели, можно встроить ящики для хранения вещей. Более сложные варианты позволяют использовать уголок для приема гостей или даже в качестве спального места при правильной планировке. При этом потребуются немалые вложения.
Важно учитывать направленность уголка – он может быть правосторонним или левосторонним.
Для обшивки следует использовать качественные материалы, за которыми легко ухаживать. Для мягкой набивки можно использовать поролон или полиуретановые пластины.
По составленному чертежу с учетом всех особенностей выполнять работу намного проще. Тогда получится создать уникальную мебель, которой больше ни у кого нет.
Если необходимо, чтобы срок службы диванного уголка был максимально долгим – выбрать нужно классический наполнитель и обивку.
Кухонный уголок из ДСП: пошаговая инструкция
Рассмотрим, как своими руками сделать уголок для кухни, состоящий из 3 элементов: короткого и длинного дивана и части, соединяющей их.
Выбор материалов
Для изготовления основы кухонного уголка своими руками можно использовать фанеру или ДСП.
В качестве обивки на кухонный уголок применяют:
- Синтетическую ткань. Материал отличается доступной ценой, стойкостью цвета, его легко почистить.
- Микрофибру. Она обладает повышенной устойчивостью ко влаге, практичностью – слабо подвержена загрязнению. Кухонный уголок, обитый ею, долгое время не будет нуждаться в реставрации.
- Кожзаменитель. Прост в уходе, не впитывает воду, можно протирать влажной тряпкой.
В качестве наполнителя можно использовать поролон (бюджетное решение) или пенополиуретан – стоит дороже, но лучше сохраняет форму.
Более подробно о том, чем лучше обить кухонный уголок, можно узнать из видео
Материалы и инструменты
Чтобы изготовить мягкий уголок, потребуются:
- электролобзик (если распиливать листовой материал планируется самостоятельно);
- мебельный уголок металлический;
- кромка для торцов;
- столярный клей;
- карандаш;
- нихромовая нить;
- дрель и набор сверл;
- ножницы;
- крепеж (шканты, конфирматы);
- петли рояльные;
- подпятники для мебели;
- строительный степлер;
- рулетка;
- молоток.
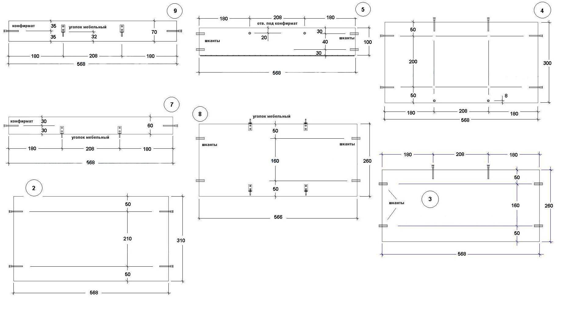
Делая уголок на кухню своими руками, начинают с распила ДСП.
Изготовление длинного дивана
Кухонный уголок этой модели состоит из 3 элементов: двух секций и соединительной угловой детали.
Спинку, сиденье, дно и стенку ниши, упорную планку спинки делают из шлифованной ДСП, остальные элементы – из ламинированной. Боковин нужно будет 2 штуки, другие детали вырезают в 1 экземпляре. Размеры каждого элемента угловой конструкции видны на чертежах.
Порядок действий при изготовлении и сборке дивана:
- Размечают детали для фрезеровки. В местах, где будет расположен крепеж, ставят точки карандашом, просверливают отверстия.
- Торцы боковин закрывают, приклеивая на них кромку.
- На торцах, которые будут соприкасаться с полом, закрепляют подпятники, фиксируя их на саморезы.
- Переходят к сборке ниши. Берут лицевую панель, стенку и дно ниши, соединяют детали с помощью конфирматов.
- Боковые стороны ниши закрывают, закрепив на них подготовленные ранее боковины.
- К стенке ниши прикручивают планку сиденья. Ее фиксируют на шканты.
- Устанавливают сиденье, оно будет подъемным, для крепления к планке используют петли.
- Закрепляют заготовку спинки, используя шканты.
- Монтируют на спинку верхнюю планку, под ней – упорную планку. Закрепляют элементы дополнительно двумя металлическими углами.
После того как сборка завершена, переходят к обивке.
Из поролона вырезают 2 куска. Толстый поролон можно ровно нарезать с помощью нихромовой нити, материал толщиной меньше 5 см кроят ножом.
Для спинки кроят кусок, длина которого равна длине листу ДСП, а ширину делают на 4 см больше. Закрепляют ее так, чтобы 2 торца были закрыты поролоном. Для фиксации используют клей.
Для сиденья вырезают заготовку, длиной равную сиденью, а шириной на 2 см больше. Крепят так, чтобы был закрыт лицевой торец.
Затем кроят обивочную ткань. Потребуется также 2 детали – для спинки и сиденья. Их нужно вырезать с таким расчетом, чтобы полностью обернуть верхние стороны древесно-стружечной плиты вместе с поролоном, при этом с каждого края осталось несколько сантиметров ткани, которую крепят к ДСП с помощью степлера. Скобы вбивают через каждые 2 см.
Сначала фиксируют 1 длинную сторону, затем, немного натянув ткань, прибивают противоположную, после переходят к боковым, расправив материал.
Короткий диван
Распиливают детали, из которых будет собираться диванчик, ориентируясь на чертежи.
Боковины, лицевую сторону ниши, планку для сиденья и верхнюю планку для спинки делают из ламинированной ДСП, остальные из шлифованной. Боковин нужно будет 2 штуки, другие части – по 1.
Процесс сборки короткого диванчика аналогичен изготовлению длинного.
Соединительная часть
Этот элемент будет соединять короткую и длинную секции в угловой диван.
Из ДСП толщиной 16 мм нужно выкроить:
- 2 планки упорные для спинки;
- заготовку, которая будет установлена на уровне сиденья;
- трапециевидную часть спинки, которая будет располагаться в центре;
- боковые части спинки.
- Сначала соединяют боковые части спинки с центральной. Используют шканты и конфирматы.
- Крепят к спинке 2 упорные планки, фиксируя их шкантами и металлическими углами.
- Соединяют конструкцию с боковыми частями диванов.
- Сиденье обивают, используя поролон и ткань.
- Закрепляют его между боковинами диванов, используя конфирматы и металлические углы.
Мягкий уголок готов.
Уголок из ДСП
Такая мебель состоит из трех частей: двух диванов разной длины и соединительной части. Для изготовления потребуется такой набор инструментов и материалов:
- электролобзик для распила листов ДСП;
- металлические соединительные уголки;
- самоклеющаяся пластиковая лента для торцов деталей из ДСП;
- столярный клей;
- карандаш или маркер для отметок;
- дрель и сверла;
- ножницы;
- шканты для фиксации стенок;
- конфирматы;
- петли для сиденья;
- пластиковые ножки для установки уголка на пол;
- степлер для фиксации обивки к ДСП;
- линейка или рулетка;
- молоток, шуруповерт.

Для оформления кухонного уголка выбирают стойкие материалы, устойчивые к влаге: синтетику, микрофибру или кожзаменитель. Самыми популярными наполнителями считают поролоновую или пенополиуретановую основу. Второй материал эластичнее и долговечнее, но стоит на порядок дороже.
Сбор длинного дивана
Эта часть мебели состоит из спинки, сиденья, ниши и боковин. Для деталей с обивкой берут листы шлифованной ДСП. Для остальных частей используют ЛДСП.

Сборку корпуса дивана выполняют по инструкции:
- Размечают боковины и вырезают по чертежам в двух экземплярах. Отмечают и высверливают места для конфирматов и шкантов.
- Аналогично подготавливают остальные части дивана по схеме.
- Шероховатые торцы ДСП оклеивают пластиковой лентой, устраняют неровности и острые углы.
- К торцам со стороны пола прибивают пластиковые ножки или фиксируют саморезами.
- Соединяют части ниши и фиксируют между собой конфирматами.
- К стенке ниши крепят планку сиденья с петлями. Они обеспечат возможность поднимать сиденье и использовать внутреннее пространство для хранения. Устанавливают сиденье.
- Нижнюю и верхнюю упорные планки соединяют металлическими креплениями со спинкой.
- Все части дивана соединяют с боковинами шкантами. После проверки правильности выполнения работы детали скрепляют конфирматами.
Чтобы сиденье и спинка были мягкими и удобными, выполняют обивку. Для этого ножницами или ножом вырезают два полотна поролона. Для спинки режут по размерам заготовки по длине и запасом в 4 см по ширине. Сиденью нужен небольшой заступ на 2 см для загиба у края. Запасные части поролона закроют торцы с лицевой стороны, и углы будут мягкими. Наполнитель крепят к ДСП клеем.
Ткань кроят с запасом, чтобы закрепить на изнаночной стороне плиты. Материал фиксируют степлером на одной длинной стороне, слегка натягивают ткань и крепят ее скобами по противоположной части. Затем ткань выравнивают и закрепляют по коротким сторонам. Натяжка должна быть равномерной, без видимых перепадов.
Сбор короткого дивана

Процесс работы повторяет предыдущий этап, но по отдельным чертежам. Боковины короткой и длинной частей совпадают по размерам.

Угловая часть

Соединительный элемент играет важную роль, так как делает из двух мягких диванов полноценный кухонный уголок.
На листе ДСП размечают заготовки для планок-упоров и спинки, основу для сиденья, боковины части.

Основные этапы работы по сборке заключаются в следующем:
- Соединяют между собой боковины и центральную часть.
- Упоры крепят металлическими уголками к боковинам.
- Выполняют обивку сиденья.
- Соединяют все детали между собой.
Для окончательной сборки мягкого уголка необходимо соединить диваны с угловой частью конфирматами. Проверяют точность сборки и надежность всей конструкции.
Оригинальная идея – угловой диван из поддонов (паллет) ↑
Конструкция деревянных поддонов, используемых для транспортировки различных грузов, достаточно проста. Вместе с тем, надежность таких элементов позволяет применять их не только по прямому назначению, но и для производства оригинальной мебели.
Конечно, угловой диван из паллет с учетом их габаритов поместится не на каждой кухне. Однако его вполне можно использовать в беседке, тем более что сборка уголка не отличается особой сложностью.
Чертеж деревянного поддона со стандартными размерами
Отбор и подгонка поддонов ↑
На первом этапе изготовления углового дивана следует внимательно осмотреть каждый поддон и выбрать только те конструкции, которые лишены дефектов
Особое внимание необходимо уделить трещинам и большим сколам, которые могут стать причиной неприятных последствий во время эксплуатации дивана
Исходя из габаритов поддона, проектируется угловой диван. Если площадь позволяет, можно собрать конструкцию из цельных элементов. В противном случае придется применять циркулярную или ручную пилу для подгонки необходимого размера.
Проверка целостности и подготовка паллет согласно требуемым размерам
Соединение деталей ↑
Сделать своими руками уголок для кухни или беседки из поддонов очень просто. Для этого необходимо собрать своеобразный конструктор из подготовленных деталей и скрепить их между собой шурупами.
Для обустройства сиденья нужно установить поддоны в два ряда. Такой высоты будет достаточно, учитывая то, что сверху предполагается размещение слоя поролона (около 100 мм) или, например, толстого матраса.
Чтобы сделать спинку, необходимо выставить поддон вертикально и прикрутить его к нижней части основания. Собственно, на этом сборка каркаса завершена.
Диван-конструктор из паллет
Изготовление мягких элементов ↑
Как отмечалось выше, мягкую часть уголка (сиденье и спинку) можно выполнить из поролона, обтянув его красивой тканью. С учетом довольно большой площади изделия в этом случае придется хорошо потратиться, поскольку мебельный поролон стоит недешево.
Если в качестве мягких элементов использовать старые матрасы и подушки, можно серьезно сэкономить. Конечно, покупать обивочную ткань все равно придется, однако затраты все равно будут существенно ниже.
Оригинальный мягкий уголок из поддонов для дачи или частного дома
В статье предложены самые простые и доступные мастер-классы по изготовлению уголка для кухни своими руками. Возможно, в данных изделиях не так много дизайнерской мысли и отсутствуют современные технологические решения, однако такую работу вполне реально выполнить человеку, не обладающему солидным опытом в столярном деле. Для более серьезных задач существуют специалисты.
Часть №1 – длинный диван
Начнем монтаж с длинного диванчика. Для примера возьмем конструкцию с такими показателями: длина составит 1 метр, высота – 80, а глубина – 40 сантиметров. Для начала вам нужно вырезать из ДСП все детали будущего дивана согласно чертежу и замерам. Перед вами будут находиться такие детали:
- Две боковины.
- Дно ниши (каркаса).
- Лицевая часть ниши.
- Боковая часть ниши.
- Сиденье.
- Спинка.
- Упорная часть для планки.
- Планка для сиденья.
- Планка для верхней части.
Для примера, приведем некоторые замеры деталей. Сиденье у нас будет размером 96Х30, спинка 96Х26, а лицевая часть ниши 96Х31 сантиметр. Понятно, что боковины будут размером 80Х40 см. Они же являются основными деталями. Сборку дивана начнем именно с боковин.
Сборка длинного дивана
- Первое, что мы делаем, отметки для фрезеровки, учитывая основные размеры, ширину, высоту и глубину вашего дивана. Затем намечаем отверстия для шурупов и места состыковки с другими деталями. Если вам будет сложно это сделать с первого раза, потренируйтесь на фанере или отдельном листе ДСП.
- Далее боковушки нужно оклеить кромкой с помощью клея, а на нижние торцы прикрутить мебельные подпятники. Последние крепятся с помощью саморезов.
- Теперь нужно сконструировать нишу, она же ящик, который будет являться ребром жесткости. Вам понадобятся два листа для боковин и один – для днища. Дно ниши также можно выполнить из фанеры. Согласно замерам, вырезаете куски и соединяете детали между собой саморезами. По сути, вам нужно сделать обычный ящик.
- Далее понадобится планка сиденья – эта деталь нужна, чтобы закрепить подъемное сиденье с помощью металлических петель. Держится планка на шкантах. Размеры нашей планки будут составлять 96Х100 сантиметров.
- Также вам понадобится упорная планка с размерами 96Х60 см. Когда вы будете делать замеры упорной планки, отнимите 2 сантиметра, так как она будет дополнительно обтягиваться обивкой и наполнителем.
- Далее изготавливаете спинку согласно вашим замерам и крепите ее к боковинам с помощью шкантов.
- Затем крепите к спинке упорную и верхнюю планки.
- Теперь нужно закрепить уголки. Самый бюджетный вариант – это использовать деревянные бруски, которые вырезаны под углом. Но лучше всего использовать металлические – они надежно закрепят конструкцию и их можно поворачивать под углом в 5 градусов.
Основная конструкция собрана, дальше можно приступить к обивке дивана и смягчении сиденья и спинки. Вам понадобится два куска поролона, который вы вырезаете под размеры сиденья и спинки, а также два куска обивочной ткани. Поролон лучше всего посадить на клей, а ткань для обивки закрепить степлером. Будьте внимательны, загибая ткань на углах – сначала нужно собрать всю ткань внутрь, а затем закрыть боковыми кусочками.
Преимущества кухонных уголков
Кухонный уголок, фото которого можно увидеть ниже, будто создан для того, чтобы собрать за столом всю семью или компанию самых близких друзей. Именно поэтому данный предмет интерьера привлекателен и всегда востребован. Благодаря тому, что кухонные уголки бывают разных конструкций, их можно вместить в любую, даже самую крохотную кухоньку.

В основном, кухонный уголок состоит из одного или двух диванчиков, двух табуреток и одного стола. Несмотря на столь внушительный список предметов, сегодня можно приобрести кухонные уголки для маленькой кухни – они прекрасно разместятся на самой скромной кухоньке. Чаще всего в диванчиках есть срытые вместительные ниши, где можно хранить разнообразные предметы и утварь. Даже самые маленькие кухонные уголки могут заменить дополнительный шкаф на кухне. При этом вы сэкономите место и заведете симпатичный диванчик в качестве отличного и уютного места для приятного времяпрепровождения.
Благодаря отсутствию подлокотников и современному дизайну, кухонный диванчик вполне может посоревноваться в элегантности с диваном из гостиной.

Если вы решили самостоятельно изготовить кухонный уголок на кухню, то нужно присмотреться к обивке диванчика. Именно обивка способна создать оригинальную и интересную идею – без нее мебель не такая уж и привлекательная. Сейчас немалым спросом пользуется мягкая обивка, микрофибра и искусственная кожа.
Стоит также учитывать, что если стол для кухни изготавливается из натурального дерева, а не из ДСП и пластика, то лучше всего сделать и кухонный уголок из дерева.
Выбираем тип кухонного уголка
Уголки для кухни бывают стационарными и раздвижными.
- Стационарные. Визуально это цельная конструкция, но отдельные ее элементы можно отделять и переставлять, видоизменяя кухонный уголок. Основание, на которое крепятся элементы, может быть одностороннее, двустороннее, прямое, «Г-образное». Поэтому, прежде, чем приступить к планировке и строить чертеж кухонного уголка, нужно определится, какая конструкция вам необходима.
- Раздвижные. Такие диванчики увеличивают полезную площадь, поэтому их можно использовать как еще одно спальное место в квартире, благодаря выдвижному месту. В основном такая мебель оснащена механизмом типа «дельфин».
Стационарные уголки строить намного проще – с ними справится даже тот, кто не имеет большого опыта в «мебельном деле».

Выбираем обивку для кухонного уголка
Сидеть на деревянном жестком табурете, разумеется, не так приятно, как на мягком и удобном стуле. В настоящее время для обивки кухонных уголков применяют самые разнообразные материалы, среди них:
- Искусственная кожа. Самым популярным материалом, безусловно, является кожзам, так как он не только практичен и удобен, но и весьма экономичен и неприхотлив. К тому же это настоящая находка для кухни, так как эта комната ежедневно подвергается влиянию влажности, а также различным источникам загрязнения, а кожзам, ко всему прочему, устойчив к внешним раздражителям и царапинам. Уход за такой обивкой вовсе не сложен – достаточно почистить диванчик любым нейтральным моющим средством. При этом даже после влажной уборки кожзам сохраняет первоначальную форму.
- Жаккард. Еще один практичный вариант для обивки диванчика на кухню, так как синтетические волокна замечательно пропускают воздух, отталкивают воду и грязь, практически не электризуются, не вызывают аллергии.
- Велюр. Ворс этой такни капризен как в уходе, так и по отношению к изменению освещенности. Велюр может «засаливаться» — эти блестящие места имеют совершенно непрезентабельный вид.
- Флок. Данный материал состоит из нейлона и хлопка – их удерживает вместе специальная клеевая основа. Благодаря более прочному ворсу, который более гуще и прочнее, фок для обивки применяют намного чаще.
- Микрофибра. Благодаря микроволокнам хлопка или полиэстера, которые имеют ворсистую поверхность, яркая микрофибра износоустойчива и проста в уходе.

Выбираем наполнитель для мягких сидений
Чтобы сидения были упругие, но, в то же время, мягкие и удобные, необходимо использовать хороший наполнитель. Есть несколько видов групп:
- Е (ST) – нормальная жесткость наполнителя.
- ЕL – повышенная жесткость наполнителя.
- HL – жесткий наполнитель
- HR – высокая упругость наполнителя.
- ER – мягкий наполнитель.
Выбирая наполнитель, помните, что чем он мягче, тем удобнее будет сидеть. Если вы планируете использовать уголок еще и в качестве дополнительного спального места, то необходимо ставить пружины. Это сделает его комфортнее и долговечнее.






































