Варианты исполнения однотрубной системы отопления
Различаются естественный и принудительный тип циркуляции, также схема может разделяться по типу:
- Источника тепла. Это могут быть твердотопливный, газовый, электрический котлы.
- По теплоотдающим приборам, в качестве которых применяются радиаторы или контур теплого пола.
- По устройству транспортировки. Если теплоноситель поступает самотеком, требуется разгонный участок движения, если монтируется принудительная циркуляция, устанавливается насос.
- В зависимости от оборудования для компенсации избыточного давления. Используются расширительные баки открытого или закрытого типа.
Также в расчет берутся виды труб по материалу изготовления, виды водопроводной арматуры.
Схемы с естественной и принудительной циркуляцией
Естественная циркуляция обозначает, что теплоноситель транспортируется по трубе самотеком, принудительная – с помощью насоса. Первый вариант требует монтажа трубопроводов с определенным уклоном для обеспечения тока воды. Также нужен разгонный участок для получения нужного давления, которое и перемещает жидкость. Разгонный участок – вертикальный патрубок, отходящий от котла. По патрубку поднимается теплоноситель, затем по трубопроводу, соединенному с патрубком, поступает вниз, заполняя всю тепловую магистраль и радиаторы.
Если схема однотрубного отопления самотеком выполняется с верхней разводкой для 2-х этажных домов, разгонным участком служит подающий патрубок, только он поднимается на нужный уровень. При монтаже одноконтурной системы в одноэтажном строении с горизонтальной разводкой нужен разгонный коллектор высотой не меньше 150 см от уровня первого установленного радиатора.
Самотечные схемы зависят от количества поворотов – чем их больше, тем труднее транспортировка носителя, поэтому рекомендуется делать не более 2-х поворотов на всю магистраль. Также гравитационный тип транспортировки создает проблемы с прогревом крайнего прибора отопления – остывающая вода плохо прогревает батарею, приходится увеличивать количество секций.
Поможет установка насоса, который можно ставить на любом повороте магистрали. Работа насоса нивелирует все недостатки одноконтурной схемы, ускоряет движение теплоносителя, гарантирует проход жидкости по любым поворотам. Перед монтажом насоса нужно определиться с зоной – несмотря на возможность ставить в любой точке, в расчет принимается взаимодействие резиновых деталей с горячей водой, что снижает срок службы прибора. Поэтому рекомендуется ставить насосы на трубопроводе обратного течения носителя, где циркулирует вода с малой температурой.
Выбирая схему, следует учитывать достоинства принудительной вентиляции:
- упрощенная реализация сложных схем отопления с поворотами, подъемом теплоносителя на 2-й этаж, мансарду;
- не придется покупать трубы разного диаметра;
- нет нужды просчитывать угол наклона каждого отрезка трубопровода.
Есть и недостатки – зависимость от электропитания, возможность засорения прибора и наличие затрат на обслуживание (оплата счетов за электричество).
Открытая и закрытая системы
Различаются схемы по типу расширительного бака, который монтируется вместе с системой. Если это закрытая емкость – система закрытая, если нет крышки – открытая. Устанавливается бак в самой высокой точке системы. В герметичных баках есть отвод для слива излишков воды или внутреннее пространство разделено мембраной расширительного типа – при избытках жидкости газ в одной половине сжимается, мембрана вытягивается, как только объем жидкости нормализуется, мембрана возвращается в исходное положение и обеспечивает нужное давление. Закрытая система очень проста в монтаже и применении.
Открытый бак также ставится в самой высокой точке схемы, но при этом у бака нет крышки, поэтому не исключено взаимодействие с кислородом, поступающим в трубы, – повышается риск завоздушивания. Плюс использования именно открытой системы в отсутствии необходимости следить за давлением и возможностью изготовления расширительного бака из подручного материала. Пользователи отмечают еще ряд минусов – в бак нужно доливать воду, нельзя применять антифриз (теплоноситель будет испаряться, а его пары ядовиты), кислород в теплоносителе быстрее изнашивает трубы.
Роль циркуляционного насоса для отопления частного дома
Чтобы наглядно оценить роль циркуляционного насоса в отопительном контуре, стоит перечислить основные плюсы его установки:
- Отопительный контур с насосом проще устанавливать, т.к. не требуется соблюдать угол наклона труб, обязательный для гидравлических схем
- Допустим меньший диаметр труб, т.к. насос без труда обеспечит принудительный ход теплоносителя
- Нет ограничений при покупке радиатора любого дизайна, принудительная циркуляция в системе отопления позволит преодолеть сопротивление их узких участков
- За счет узких труб интерьер помещения выглядит аккуратнее, разводку проще спрятать
- Трубопровод не ограничен по длине, как в случае с естественным течением воды по контуру
- Возможность сделать разводку коллекторного типа
- Благодаря насосу, в доме возможно установить «теплые полы»
- LiveJournal
- Blogger
Без циркуляционного насоса не обойтись, это нюанс системы
Критерии выбора
Подбирая тот или иной тип обогревателя, нужно учитывать несколько критериев:
Тип
Из всех перечисленных типов обогревателей выбрать следует тот, который лучше всего подходит по техническим характеристикам для дачи. При этом важна мощность прибора. Есть простая формула, которая помогает правильно рассчитать мощность
На 1 м2 жилой площади необходим 100 Вт мощности. Кроме того, важно обратить внимание на тип установки: напольный, настенный, потолочный, настольный
Производительность
В инструкции к устройству производитель указывает, какую комфортную и максимальную площадь помещения оно может обогреть. Зная эту характеристику, будет легко подобрать лучший вариант для своей дачи.
Управление
Более бюджетные модели оснащены механическим типом регулировки. Он представляет собой набор ручек, переключателей и кнопок. Такие устройства рассчитаны на работу в заданном режиме и могут отключаться, когда уровень определенной температуры достигнут. Регулировка грубая и шкала обозначена максимально просто – от минимума до максимума.
Современные модели имеют цифровой дисплей, настраиваются сенсорными или механическими кнопками. Их возможности гораздо шире стандартных вариантов, ведь они могут:
- включаться и выключаться по таймеру;
- автоматически поддерживать установленную температуру;
- показывать текущую температуру воздуха.
Для удобства пользования и настройки в комплекте поставляется пульт ДУ. Но есть и самые продвинутые модели. В них встроен Wi–Fi или Bluetooth передатчик, который позволяет управлять устройством через смартфон.
Функции
Зависят от сложности модели. Простые устройства оборудованы термостатом, который регулирует интенсивность работы, включает и отключает прибор через определенный интервал. В продвинутых моделях включение и выключение происходит на основании условий окружающей среды. Отложенный старт, включение и отключение по расписанию, дистанционное управление – эти и другие функции заложены в обогреватели с электронной системой управления.
Шумность
В технических характеристиках должен быть указан уровень шума электрообогревателя. Самые тихие – инфракрасные, затем масляные и конвекторные. Наиболее шумные – тепловентиляторы.
Защита
Многие модели оснащены датчиком или предохранителем, который срабатывает при перегреве устройства. У некоторых есть защита, которая выключает обогреватель при падении. Если в семье есть дети или пожилые люди, то лучше выбирать настенный тип оборудования.
Особенности закрытой системы
Тепловая магистраль выполнена в виде отдельного замкнутого контура. Вода в ней подогревается через теплообменники от магистрали ТЭЦ. Здесь требуются дополнительные насосы. Температурный режим получается более стабильный, а вода – лучше. Она остается в системе и не забирается потребителем. Минимальные потери воды восстанавливаются автоматической подпиткой.
Закрытая автономная система получает энергию от теплоносителя, поступающего на тепловые пункты. Там вода доводится до необходимых параметров. Для систем отопления и горячего водопровода поддерживаются разные температурные режимы.
Недостатком системы является сложность процесса водоподготовки. Также дорого обходится доставка воды в тепловые пункты, расположенные далеко друг от друга.
Трубы тепловых сетей
В настоящее время отечественные тепловые сети находятся в аварийном состоянии. В связи с большим износом коммуникаций дешевле заменить трубы для теплотрассы на новые, чем заниматься постоянным ремонтом.
Сразу обновить все старые коммуникации в стране невозможно. При строительстве или капитальном ремонте домов устанавливают новые трубы в пенополиуретановой изоляции (ППУ), в несколько раз сокращающие потери тепла. Трубы для теплотрассы изготавливают по специальной технологии, заливая пеной зазор между расположенной внутри стальной трубой и оболочкой.

Температура транспортируемой жидкости может достигать 140°С.
Использование ППУ в качестве теплоизоляции позволяет сохранять тепло значительно лучше традиционных защитных материалов.
Использование тепловых пунктов
Для удешевления закрытой системы теплоснабжения на несколько домов или микрорайон устанавливают центральный тепловой пункт (ЦТП). ЦТП представляет собой помещение с теплообменниками, насосами и автоматическими устройствами для регулировки подачи воды. К этому зданию подводятся трубопроводы водоснабжения и тепловые сети.
Использование ЦТП позволяет экономить расходы на строительство тепловых пунктов. Так как укрупнение теплообменной установки на несколько кварталов или микрорайон, уменьшает затраты на покупку и монтаж оборудования и автоматики, в сравнении с установкой теплового пункта в каждом доме.
Правила выбора насоса
Прибор выбирают по двум основным характеристикам: мощность и напор. Эти параметры напрямую зависят от площади отапливаемого строения. В большинстве случаев для ориентира берут следующие значения:
- Для системы, обогревающей площадь 250 м2, требуется насос мощностью 3,5 м3/ч и напором в 0,4 атмосферы.
- Для площади до 350 м2 лучше выбрать оборудование, мощность которого составляет 4,5 м3/ч и напор 0,6 атм.
- Если строение имеет большую площадь, до 800 м2, то рекомендуется использовать насос мощностью 11 м3/ч с напором более 0,8 атмосфер.

Если более тщательно подходить к выбору насосного оборудования, то во внимание принимаются дополнительные параметры:
- Длина трубопровода.
- Тип отопительных приборов и их количество.
- Диаметр труб и материал, из которого они изготовлены.
- Тип котла отопления.
Составление схемы теплоснабжения
Схема теплоснабжения представляет собой предпроектный документ, в котором отражены правовые отношения, условия функционирования и развития системы обеспечения теплом городского округа, поселения. По отношению к ней в федеральный закон входят определенные нормы.
- Схемы теплоснабжения для поселений утверждаются органами исполнительной власти или местного самоуправления, в зависимости от численности населения.
- Для соответствующей территории должна быть единая теплоснабжающая организация.
- В схеме указываются энергетические источники с указанием их основных параметров (загрузка, графики работы и др.) и радиусом действия.
- Указываются мероприятия по развитию системы обеспечения теплом, консервации избыточных мощностей, созданию условий ее бесперебойной работы.

Объекты теплоснабжения размещаются в границах поселения согласно утвержденной схеме.
Можно ли самостоятельно смонтировать открытое отопление?
С монтажом открытой системы отопления не нужно обладать сверхспособностями, важно внимательно изучить такой вопрос, как схема работ. Первым делом, установите котел
Разместить его можно на полу или же подвесить для экономии места. Мощность котла выбирайте в зависимости от того, какую площадь помещения планируете отопить.
Вторым этапом станет распределение и установка радиаторов. Рассчитайте их количество, исходя из площади комнаты. Один радиатор способен отопить до 1 кв.м. жилой площади. Не хотите радиатор, закрепите трубу диаметром 10 см. Ее можно пустить по всему дому и вернуть обратно к котлу. Для более лучшей циркуляции воды, закрепите трубу под наклоном. Что касается бака, его можно установить на обратке недалеко от котла.
Установка радиаторов отопления
Есть еще один вариант монтажа открытого отопления. Открытое отопление можно разместить вертикально, при этом бак устанавливают на чердаке. Чтобы бак не пострадал от перепада температур, позаботьтесь о его утеплении.
Поговорим о подборе частей для открытого отопления:
- Котел лучше разместить в отдельной постройке. При этом к нему в свободном доступе должен поступать воздух. На полу постелите материал, который не вспыхнет при пожаре. Для этого лучше полы просто забетонировать. Измерьте площадь помещения. Исходя из этих расчетов, вы сможете рассчитать необходимую мощность котла. Котел сможет работать как на газу, так и на дровах.
- Радиаторы лучше выбрать стальные. Монтаж их осуществляется таким образом, чтобы они были размещены от стены на расстоянии 5 см. Радиаторы можно монтировать под подоконниками. В таком случае они защитят комнату от внешнего холода, играя роль завесы. От пола отступите не менее 40 см. Чтобы обогреть комнату площадью в 15 кв.м. вам нужно установить радиатор не менее 100 см.
Металлические радиаторы
- Трубы. По старинке использовали медные трубы. Однако они себя не оправдали. Медные трубы дорогостоящие и быстро ржавеют. Оптимальным вариантом станет выбор в пользу пластиковых труб. Их диаметр не менее 32 мм. Рассчитывайте длину труб, учитывая, что они выходят из верхней части радиатора и замыкают ее с нижней частью. Монтаж труб производят по наружной части стены. Нет необходимости монтировать их в стену. Соединить трубы между собой можно при помощи отводов. Также трубами не забудьте соединить воедино котел, расширительный бак и радиаторы.
- Расширительный бак. Расширительный бак разместите на чердаке помещения или недалеко от котла. Расширительный бак не должен превышать 5% от объема всей системы отопления в целом. Чтобы отопить дом в один этаж, вам лучше выбрать бак на 8 литров. Для того чтобы не ошибиться, купите бак на 15 литров.
Расширительный бак
Из чего состоит система и как она работает
Чтобы тепло поступало от котельной к приборам отопления, в водяной системе используется посредник – жидкость. Теплоноситель такого типа перемещается по трубопроводу и нагревает помещения в доме, причем все они могут иметь разную площадь. Этот фактор делает популярной подобную систему отопления.
Движение теплоносителя может осуществляться естественным путем, в основе циркуляции лежат принципы термодинамики. Благодаря разной плотности холодной и нагретой воды и уклону трубопровода вода движется по системе.
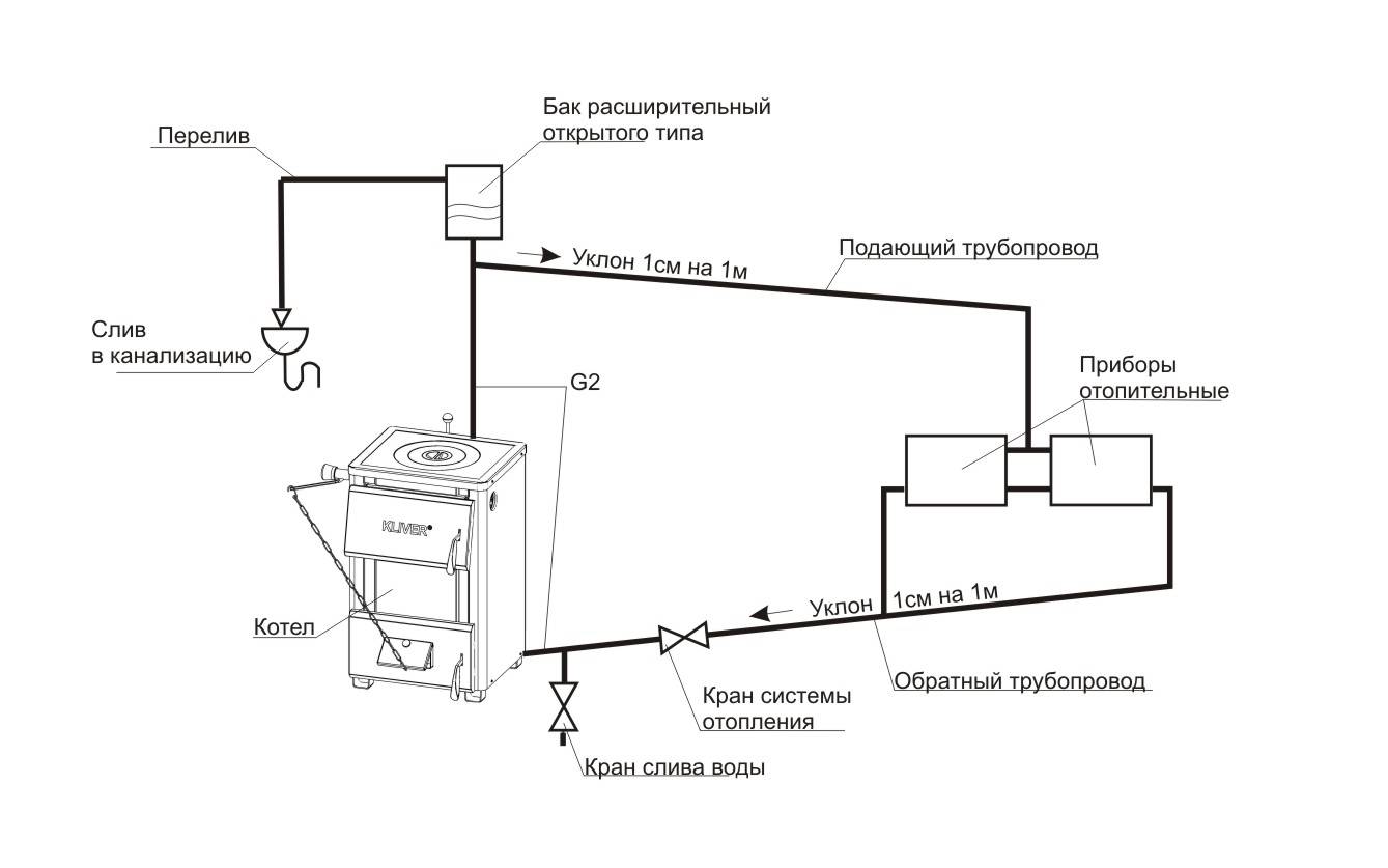
Одним из важных элементов системы отопления является открытый расширительный бачок, сюда поступает лишняя нагретая жидкость. Именно этот элемент стабилизирует давление теплоносителя. Главное условие – бак следует располагать в самой верхней точке отопительной системы.
Открытое теплоснабжение функционирует по следующей схеме:
- В котле нагревается вода и подается к приборам отопления в каждое помещение дома.
- На обратном пути лишняя жидкость уходит в расширительный бак открытого типа, ее температура понижается, и вода обратно возвращается в котел.

Системы отопления однотрубного типа подразумевает использование одной магистрали для подачи и обратки. Двухтрубные системы имеют независимую подающую и обратную трубу. При решении самостоятельно монтировать зависимую систему отопления лучше выбрать однотрубную схему, она более проста, доступна и имеет элементарную конструкцию.
Однотрубное теплоснабжение состоит из следующих элементов:
- Котел отопления.
- Батареи или радиаторы.
- Расширительный бачок.
- Трубы.
Упрощенная схема подразумевает использование вместо радиаторов трубы сечением 80-100 мм, но следует учитывать, что такая система менее эффективна в эксплуатации.
Трубы тепловых сетей
В настоящее время отечественные тепловые сети находятся в аварийном состоянии. В связи с большим износом коммуникаций дешевле заменить трубы для теплотрассы на новые, чем заниматься постоянным ремонтом.
Сразу обновить все старые коммуникации в стране невозможно. При строительстве или капитальном ремонте домов устанавливают новые трубы в пенополиуретановой изоляции (ППУ), в несколько раз сокращающие потери тепла. Трубы для теплотрассы изготавливают по специальной технологии, заливая пеной зазор между расположенной внутри стальной трубой и оболочкой.
Температура транспортируемой жидкости может достигать 140°С.
Использование ППУ в качестве теплоизоляции позволяет сохранять тепло значительно лучше традиционных защитных материалов.
Закрытые системы теплоснабжения
Закрытые системы теплоснабжения – это системы, в которых вода, циркулирующая в трубопроводе, используется только как теплоноситель, и не забирается из теплосистемы для нужд обеспечения горячего водоснабжения. При такой схеме система полностью закрыта от окружающей среды.
Конечно же, утечки теплоносителя возможны и при такой системе, однако, они весьма незначительны и легко устраняются, а потери воды без проблем автоматически восполняются с помощью регулятора подпитки.
Подача тепла в закрытой системе теплоснабжения регулируется централизованным способом, при этом количество теплоносителя, т.е. воды, остается в системе неизменным. Расход тепла в системе зависит от температуры циркулирующего теплоносителя.
Как правило, в закрытых системах теплоснабжения используются возможности тепловых пунктов. На них, от поставщика теплоэнергии, например, ТЭЦ, поступает теплоноситель, а его температура регулируется до необходимой величины для нужд отопления и горячего водоснабжения районными центральными тепловыми пунктами, которые и распределяют ее по потребителям.
Приемущества и недостатки закрытой системы теплоснабжения
Преимущества закрытой системы теплоснабжения заключаются в высоком качестве горячего водоснабжения. Кроме того, она дает энергосберегающий эффект.
Ее, практически, единственный недостаток в сложности водоподготовки из-за удаленности тепловых пунктов друг от друга.
Схемы открытой системы
На практике применяется несколько схем обустройства: естественный тип циркуляции воды, а также с принудительным побуждением движения посредством насосного оборудования.
Принципиальные отличия | |
Естественная циркуляция | Принудительная циркуляция |
– нет механизма для передвижения теплового носителя – есть «разгонный» стояк высотой 330 см или более – возможно дополнение конструкции бойлером – максимальная протяжённость контура не более 30 м. | – наличие в схеме организации насосного оборудования – максимально высокий уровень тепловой отдачи – равномерный прогрев всех магистральных ветвей – наличие в схеме специальных отсекающих кранов |
Оптимальный вариант для малогабаритных помещений с высокими потолками | Лучший вариант для обогрева больших площадей при наличии электропитания |
Выбор схем напрямую зависит от количества отапливаемых этажей и общей площади строения
Немаловажное значение имеет желаемый тепловой режим, а также возможность обеспечить бесперебойное электроснабжение системы
Однотрубная

Однотрубная открытая система характеризуется подачей теплоносителя посредством одной магистрали, собранной из больших по диаметру труб, проходящих через все радиаторные батареи. Благодаря такой особенности обеспечивается:
- минимальное количество расходных материалов;
- лёгкость самостоятельного монтажа;
- незначительное количество труб в жилом пространстве.
Недостатком такой схемы является не слишком равномерный прогрев радиаторов. Менее интенсивно нагреваются и отдают тепло батареи, значительно удалённые от водогрейного оборудования.
Двухтрубная

- равномерный разогрев всех радиаторных батарей;
- индивидуальная регулировка всех радиаторов;
- долговечность и удобство эксплуатации.
При этом система двухтрубного открытого типа является более дорогостоящей и довольно трудозатратной в плане монтажа. Две коммуникационные ветки должны располагаться правильно, в соответствии с проектной документацией.
«Ленинградка»
Современное обогревательное оборудование и новые технологии способствовали заметному усовершенствованию «Ленинградки». Такая система приобрела улучшенную управляемость и увеличенную функциональность. Основные отличия «Ленинградки»:
- свободная циркуляция теплоносителя;
- наличие источника нагрева;
- монтаж радиаторов по периметру.
Трубопровод может быть горизонтальным или вертикальным, с верхним или нижним типом подключения. Первый вариант принято считать более эффективным с точки зрения тепловой отдачи, а систему нижнего подключения отличает простота монтажа.
«Паук»
- оптимальный способ гидравлического распределения теплового носителя;
- сбор остывшей воды из радиаторных батарей в горизонтальный трубопровод;
- отсутствие необходимости выполнять верхнюю разводку горизонтального типа.
Автономное теплоснабжение жилого дома
В зданиях старого типа по проекту предусмотрена централизованная система. Индивидуальные схемы позволяют выбрать типы систем теплоснабжения в плане снижения расходов на энергоноситель. Здесь имеется возможность их мобильного отключения при отсутствии необходимости.

Проектирование автономных систем производится с учетом нормативов отопления. Без этого дом сдать в эксплуатацию невозможно. Следование нормам гарантирует комфорт для проживания жильцов дома.
Источником нагрева воды обычно служит газовый или электрический котел. Необходимо выбрать способ промывки системы. В централизованных системах применяется гидродинамический способ. Для автономной можно использовать химический. При этом необходимо учитывать безопасность влияния реагентов на радиаторы и трубы.
Что такое открытая система отопления
Открытой магистраль называется по типу расширительного бака – это емкость без крышки, которая монтируется в самой верхней точке конструкции. Классическая схема открытой системы отопления отличается от герметичной параметрами давления в магистрали. Давление всегда равно тому, которое поддерживается атмосферой.
Поэтому для обустройства конструкции нужно намного меньше комплектующих, расчеты проще. Движение теплоносителя может быть гравитационным самотечным и принудительным. Первое обеспечивается физическими свойствами расширения воды при нагревании, второе – насосным оборудованием.
Принцип работы, преимущества и недостатки
Чтобы компенсировать повышение объема при расширении нагретой воды, в верхней точке конструкции устанавливается бак с достаточным свободным объемом для компенсации увеличения количества жидкости. Поскольку бак открытый, то он выполняет функции воздухоотводика – скопления газов в трубах выходят естественным путем. Необходимо поддерживать определенный слой носителя в баке, чтобы воздух не попал в магистраль отопления, в этом случае образуются воздушные пробки.
Принцип работы простой – вода нагревается, поступает по трубам в контур отопления, прогревает радиаторы и возвращается обратно в котел для последующего подогрева. При снижении температуры носителя, давление бака обеспечивает проталкивание воды по системе, благодаря чему и поддерживается циркуляция.
К достоинствам схемы относят:
- Надежность. Если все расчеты проведены правильно, бак установлен с оптимальным объемом, то ничего сломаться тут попросту не может. Конструкция предельно проста и главное, нужно следить за объемом теплоносителя, то есть доливать воду в бак.
- При выборе самотечной схемы не будет шума от насоса. Но нужно обеспечить требуемый уклон трубопровода.
- Быстрый пуск, остановка магистрали.
- Самотечные схемы считаются автономными и не зависят от электроснабжения.
Самое важное при формировании – подобрать элементы конструкции для обеспечения и поддержания оптимальной мощности подачи теплоносителя. Конструкция проста по размещению, формированию и сделать ее сможет домашний мастер без особого опыта
К недостаткам относятся:
- открытый бак повышает риск попадания кислорода в теплоноситель, что может привести к коррозии трубопроводов;
- риск промерзания теплоносителя;
- длительный период нагрева системы после включения в работу;
- необходимость контроля уровня носителя в баке;
- невозможность использования антифриза – испарения вещества предстают ядовитыми.
Также нужно знать, что система отопления открытого типа требует правильного размещения приборов – котел отопления в самой нижней точке схемы, расширительный бак – в самой высокой.
2.2. Двухтрубные системы отопления с нижней разводкой

Рис. 6. Схема двухтрубной водяной системы отопления с нижней разводкой и естественной циркуляцией теплоносителя
Отличается от системы с верхней разводкой тем, что подающий трубопровод прокладывается снизу рядом с обратным (рис. 6) и вода по подающим стоякам движется снизу-вверх. Пройдя через отопительные приборы, вода по обратным подводкам и стоякам поступает в обратную магистраль и из нее в котел. Удаление воздуха из системы осуществляется через воздушные спускники (краны Маевского), устанавливаемые на всех отопительных приборах, или с помощью автоматических воздухоотводчиков, устанавливаемых на стояках или специальных воздушных линиях. Системы отопления с нижней разводкой, так же как и с верхней, могут быть спроектированы с одним или несколькими контурами, с тупиковым и попутным движением теплоносителя (рис. 7) в подающей и обратной магистралях.

Рис. 7. Примеры схем двухтрубных систем отопления с естественной циркуляцией воды и нижней разводкой подающего трубопровода
Системы с нижней разводкой и естественной циркуляцией теплоносителя применяются крайне редко потому, что имеют большое количество конечных радиаторов, требующих установки воздушных спускников. А так как в этих системах имеются расширительные бачки, сообщающиеся с атмосферой и вовлекающие воздух в циркуляционное кольцо, то процедура стравливания воздуха из радиаторов становится почти еженедельной. Для устранения этого недостатка трубопроводы подачи горячей воды закольцовывают так называемыми воздушными трубопроводами, которые собирают воздух и выводят его в расширительный бачок выше стоящей в нем воды (рис. 8-9).

Рис. 8. Схема двухтрубной системы отопления нижней разводкой, отводящей воздушной линией и естественной циркуляцией

Рис. 9. Схема двухтрубной системы отопления с нижней разводкой, отводящей воздушной линией и естественной циркуляцией: 1 – котел; 2 – воздушная линия; 3 – нижняя разводка; 4 – подающие стояки; 5 – обратные стояки; 6 – обратная магистраль; 7 – расширительный бак
Такие системы применяются еще реже, поскольку они напоминают системы с верхней разводкой и требует почти такого же количества труб. В общем, теряется преимущество их применения: трубные стояки пронизывают комнаты от пола до потолка, а весь смысл нижней разводки системы отопления в том и состоял, что при нем в комнатах (хотя бы на верхнем этаже) исчезали стояки.
Как же действует открытая система отопления?
Чтобы запустить систему, нет необходимости устанавливать насос. Теплоносители постоянно находятся в замкнутой системе, поэтому нет никаких потерь. Монтаж системы отопления настолько прост, что не требует специальных навыков.
Система отопления открытого типа
Каковы же главные части системы?
- Газовый или твердотопливный котел. Потребитель для себя может выбрать оптимальный вариант, отвечающий желаемым требованиям;
- Радиаторы отопления. Можно сделать свой выбор как в пользу чугунного, так и стального;
- Расширительный бачок из стали;
- Трубы.
Как же работает система отопления открытого типа?
Первым делом идет подогрев воды в котле. Затем горячая вода под напором поступает в трубы и достигает зоны низкого давления. После того, как горячая вода совершит полный водоворот и отдаст тепло, она возвращается в начальную точку – котел. В связи с тем, что под действием высоких температур вода расширяется, необходим в системе расширительный бак. Он выполняет роль компенсатора лишнего объема воды. Бак является предметом, который запаян не герметично. Для облегчения запуска системы отопления необходимо установить врезной кран. С его помощью из системы удаляется воздух. Принцип работы открытой системы отопления делят на два этапа:
- «Подача». Вода нагревается, поступает по трубам в радиаторы и обогревает помещение;
- «Обработка». Остывшая вода из радиаторов по трубам возвращается в котел.
Особенности обустройства открытой системы отопления:
Обязательно располагайте расширительный бак выше уровня остальных приборов системы отопления;
В качестве теплоносителя выберите воду, а не антифриз;
Поскольку вода при нагревании способна испаряться, важно контролировать ее уровень в котле и вовремя пополнять запасы.





































